
DOCK STREET MOBILE STORE
DESIGN A MOVEABLE STORE THAT SELLS SNACKS, T-SHIRTS AND OTHER GOODS FOR THE SCHOOL
PROJECT OVERVIEW
This is a collaborative project between Pratt and Dock Street Middle School, where each student has been assigned a specific role. The roles include traditional interior design, exterior design, storefront design, graphics, and mobile store design. My responsibility is to create a design for a mobile store, which students can easily roll out to the basketball court or any location on campus to sell items.
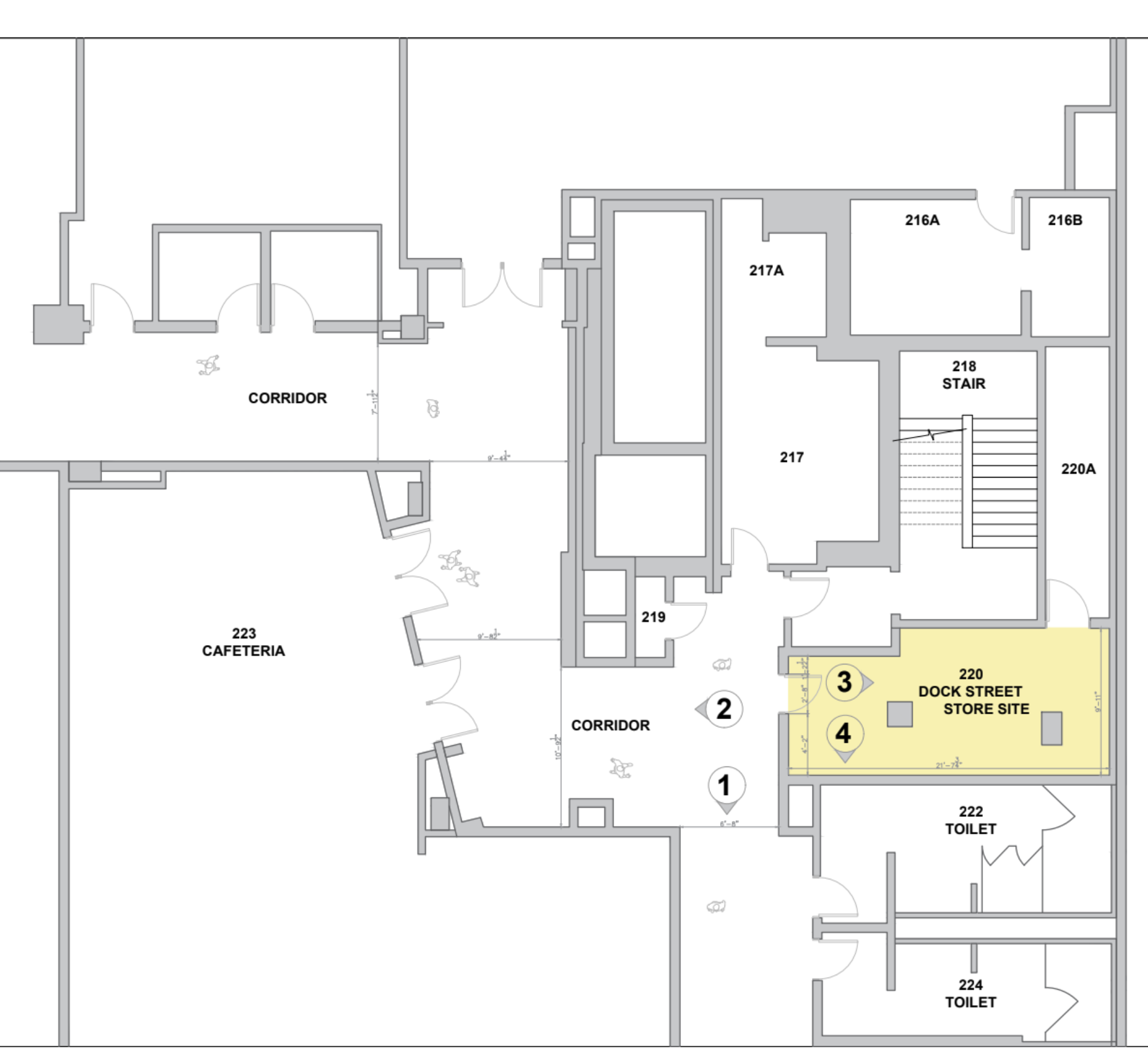
DOCK STREET FLOOR PLAN
This is the floor plan of the Dock Street Store space that the school has provided us. I digitalized the plan so it is easier for me to visualize the space. Then, I extruded it into a CAD File.
MOBILE STORE DESIGN IDEATION
This is the ideation stage which I am exploring on different forms and possibility.
MOBILE STORE DESIGN VERSION 1
This is the ideation stage which I am exploring on different forms and possibility.
The interesting part of the first version design is that the mobile store incorporated feature of the swivel feature which makes the mobile store more interactive for the children / students.
VERSION 1 ENVIRONMENTAL RENDER
This is the model in real life. It is an example of how the mobile store will be used. I envision the mobile store being used in the school setting.
This is the rendering with snacks involved just to show the overall store and visualization of how students would grab snacks from the system.
DESIGN REVISIONS (3 NEW STYLE)
The revision is made based on the cocreation session in which I get to talk to the Dock Street Middle School Students in person.
REVISION #1
This revision is trying to merge the cashier space. In the second section of the mobile store, I decided to design two different opening systems. One is a sliding door, and the other one is a pulling door, which makes the mobile store more fun and interesting.
REVISION #2
This revision I am thinking about adding more dots to the mobile store which visually it should communicate the idea of fun, interesting. I want the students to want to play with the store not just seeing it as a store that is use for storeage.
REVISION #3
This idea makes the mobile store easy to transport. I featured a handle and considered how the store would move while being transported. I also have to think about how to secure the mobile store to not let it swing around.
MANUFACTURE PROCESS
The manufacturing process that will be used to build the structure is CNC. I will cut all the pieces out and assemble them.
I first 3D printed the mobile store structure just to visualize the mobile store in a 3-dimensional view.
This is the vector cad file that will be used for CNC. These victor files will be imported to the CNC Machine and pursue cutting.
FINAL DIRECTION
This is the final version of the mobile store, and I am thinking about using dock cleats to secure it and prevent it from moving during transportation. I calculate the wood curfing radious and all the numbers to make sure the CNC can cut perfectly.
ASSEMBLY VIEW
This is the assembly view of the mobile store. There are lots of parts and joints, and I made this exploded drawing to demonstrate the structures and everything.